bizhubのよくあるご質問
![]()
定着部での紙づまり処理方法を教えてください
![]()
本機の右上ドア解除レバーを引いて右上ドアを開きます。
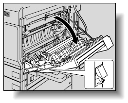
定着ユニットカバーを押し上げ、詰まった用紙をゆっくり引き抜いてください。
解除レバー【M2】を押し上げます。 解除レバーは硬くなっていますので、片方ずつ強く押し上げてください。詰まっている用紙をゆっくり引き抜きます。
次に、内部カバー【M3】を持って手前側に開き、定着ユニット内に詰まっている用紙を引き抜いてください。
定着ユニットカバー → 右上ドアの順に閉じます。
定着部周辺は高温となっています。やけどの原因となりますので、指定されたつまみやダイアル以外の部分には触れないようにご注意ください。
更新日時 2013年8月27日
FAQ番号:copz00231














