アプリケーション
ハイパワーUV光源の評価
深紫外UV殺菌技術開発を分光器で極める②
ハイパワーの守備
UV照射光の「てっぺん」から「つま先」まで
紫外線の効果を最大限発揮させるために、可能な限り強い光を照てたいというニーズがあります。そしてその定量化には紫外線強度計がよく使われています。
しかし一方では放射強度を測定しようとすると出力オーバーで測れなかったり、市販の減光フィルターでは絶対値精度が損なわれる、といった課題がありました。
他にも、細かい波長分析の用途においては波長範囲が限定されていたり、合算での総強度しかわからないなどの限界もありました。
これら課題をすべて解決する方法。それは「本格的な分光測光器を使用すること」です。
高速分光測光器「CAS140D」には減光フィルターが複数枚内蔵されているため、広いダイナミックレンジをカバーすることができます。
また、露光条件の異なるスペクトルをソフトウェア上で結合することにより、フルレンジでの波形解析も行えます。
つまり、ピーク先端からベースラインまで欲しい情報が正確に把握できる、ということです。
ハイパワーUV光源を精度良く測るための「合わせ技」
4枚の減光フィルターが最適な光量を調整します
CAS140Dでは本体に4枚の減光フィルターを内蔵し、最適なフィルターを装置が素早く判断し、自動で設定します。
この時に気になることの1つとして挙げられるのが、測定精度への影響ですが、各フィルターの分光透過率が予め装置内で校正されているため、その心配は不要です。
2種類の分光波形を統合して全体像を把握できます
これまでハイパワー光源の測定には1つ困ったことが起こっていました。それは、ピーク波形に露光レベルを合わせると、裾野が感度不足となり、ノイズが増えてしまうことです。
しかし、ソフトウェア「SpecWin」を使用することで、減光フィルター有り無しを結合させ、ピーク先端からベースラインまで最適な露光量で測定した結果を確認することができます。
つまり、高出力の光源でも「てっぺん」から「つま先」までの全体像を正確に把握することができる、ということです。
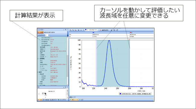
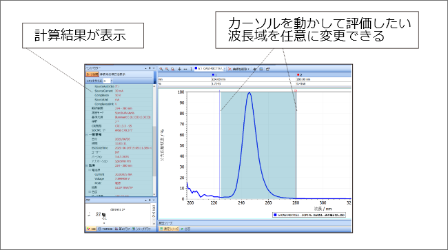
自由に波長範囲を切り取って評価できます
ソフトウェアSpecWinでは、波長範囲を指定するとその部分だけの放射強度やピーク波長を確認することができます。
この機能を使うことでUV-C域における「必要な光」と「不要な光」を区別して評価することを実現します。
ノイズの影響や安定性など、紫外線の測定は意外に難しい場合があります。問題が対象物なのか、もしくは測定器側にあるのか、それさえもわからなくなるケースがあるのではないでしょうか。
不確かな要素に惑わされずに紫外線を正しく測るために、海外でも実績のある高速分光測光器CAS140Dをぜひお役立てください。
製品情報
高速分光測光器 CAS140D
CASシリーズはコニカミノルタグループの分光器メーカーである、独Instrument Systems社の製品であり、世界の国家標準機関でも多数採用されている業界標準器です。
高い精度と光学機械的に堅牢な設計、簡単な操作性を兼ね備えたアレイ分光器です。


























